OOO "Янус" Энергосберегающие и экологичные технологии
|
Датчики движения разделенные и исполнительные блоки
Датчики движения разделенные и исполнительные блоки
Инфракрасный датчик
Инфракрасный датчик проводные
Инфракрасный датчик беспроводные
Исполнительные блоки
Исполнительные блоки проводные
Исполнительные блоки беспроводные
Разделенные датчики движения и исполнительные блоки
Инфракрасный датчик
 |
ИКД-1 Совместим со всеми исполнительными блоками РИЭЛТА, кроме СБ2-ИК-ХХ,
СБ3-С, СБ3-СД;
ИКД-1-1 совместим с исполнительными блоками
СБ3-С, СБ3-СД;
аксессуары:
решетка антивандальная
Универсальный инфракрасный датчик для энергосберегающих систем общего применения
выбор конфигурации поля зрения;
блокировка срабатывания при дневном свете;
регулировка времени задержки отключения;
может устанавливаться в неотапливаемых помещениях и на улице (под навесом);
комплектуется шаровым поворотным кронштейном и антивандальной решеткой (дополнительно).
|
 |
ИКД-2 Совместим со всеми исполнительными блоками РИЭЛТА, кроме СБ2-ИК-ХХ, СБ3-С, СБ3-СД;
ИКД-2-1 совместим с исполнительными блоками
СБ3-С, СБ3-СД;
аксессуары:
кронштейн поворотный
Многофункциональный инфракрасный датчик для индивидуального жилья (большие помещения).
возможность использования в качестве датчика освещенности (сумеречного детектора);
регулировка порога блокировки по освещенности;
регулировка чувствительности основного канала;
регулировка времени задержки отключения;
|
 | ИКД-3 Совместим со всеми исполнительными блоками РИЭЛТА, кроме СБ2-ИК-ХХ,
СБ3-С, СБ3-СД;
ИКД-3-1 совместим с исполнительными блоками
СБ3-С, СБ3-СД;
аксессуары:
кронштейн поворотный
Многофункциональный инфракрасный датчик для индивидуального жилья (малые помещения).
возможность использования в качестве датчика освещенности (сумеречного детектора);
регулировка порога блокировки по освещенности;
регулировка чувствительности основного канала;
регулировка времени задержки отключения;
|
 | ИКД-4ИК
Потолочный беспроводной инфракрасный датчик с автономным электропитанием.
круговое поле обзора;
передача управляющих сигналов на исполнительный блок по ИК-каналу;
возможность использования в качестве датчика освещенности (сумеречного детектора);
регулировка порога блокировки по освещенности;
регулировка чувствительности основного канала;
регулировка времени задержки отключения;
звуковая индикация работоспособности в режиме настройки.
Может использоваться только с исполнительными блоками СБ2-ИК-XX.
|
Исполнительные блоки
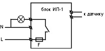
 | ИП-1
совместим с ИК-датчиками
ИКД-1, ИКД-2, ИКД-3
Универсальный исполнительный блок для нагрузок до 1 кВт с трехпроводным подключением к сети и нагрузке.
сменный защитный предохранитель;
для работы в неотапливаемых помещениях.
Схема включения:
|
| СБ2-Г-11
совместим с ИК-датчиками
ИКД-1, ИКД-2, ИКД-3
Исполнительный блок для открытой проводки.
предназначен для замены существующих выключателей открытой проводки;
изготовлен на базе выключателя С2В1 компании GUSI ELECTRIC для замены существующего выключателя открытой проводки;
двухпроводное включение;
допускает монтаж непосредственно на стену без применения монтажных коробок;
в ручном режиме обеспечивает возможность управления светом при помощи механического выключателя с крупноразмерной клавишей;
в автоматическом режиме сохраняет возможность принудительного включения светильников при помощи крупноразмерной клавиши механического выключателя.
Схема включения:
|
 | СБ2-В-11
совместим с ИК-датчиками
ИКД-1, ИКД-2, ИКД-3
Исполнительные блоки для скрытой проводки.
предназначены для замены существующих блоков выключателей скрытой проводки;
изготовлены на базе выключателя С56-043 и блоков выключателей БК2ВР-006А,Б,В компании ВЕССЕН ЭЛЕКТРО;
двухпроводное включение;
в ручном режиме обеспечивает возможность управления светом при помощи механического выключателя с крупноразмерной клавишей;
в автоматическом режиме сохраняет возможность принудительного включения светильников при помощи крупноразмерной клавиши механического выключателя.
|
 |  |
 | СБ2-В-33
совместим с ИК-датчиками
ИКД-1, ИКД-2, ИКД-3
Исполнительные блоки для скрытой проводки.
предназначены для замены существующих блоков выключателей скрытой проводки;
изготовлены на базе выключателя С56-043 и блоков выключателей БК2ВР-006А,Б,В компании ВЕССЕН ЭЛЕКТРО;
двухпроводное включение;
в ручном режиме обеспечивает возможность управления светом при помощи механического выключателя с крупноразмерной клавишей;
в автоматическом режиме сохраняет возможность принудительного включения светильников при помощи крупноразмерной клавиши механического выключателя.
|
 |  |
 | СБ2-В-34
совместим с ИК-датчиками
ИКД-1, ИКД-2, ИКД-3
Исполнительные блоки для скрытой проводки.
предназначены для замены существующих блоков выключателей скрытой проводки;
изготовлены на базе выключателя С56-043 и блоков выключателей БК2ВР-006А,Б,В компании ВЕССЕН ЭЛЕКТРО;
двухпроводное включение;
в ручном режиме обеспечивает возможность управления светом при помощи механического выключателя с крупноразмерной клавишей;
в автоматическом режиме сохраняет возможность принудительного включения светильников при помощи крупноразмерной клавиши механического выключателя.
|
 |  |
 | СБ2-Э-22
совместим с ИК-датчиками
ИКД-1, ИКД-2, ИКД-3
Исполнительные блоки для скрытой проводки.
предназначены для замены существующих блоков выключателей скрытой проводки;
изготовлены на базе блоков выключателей БКВР-2,4,5 завода ЭЛЕКТРОПУЛЬТ;
двухпроводное включение;
в ручном режиме обеспечивает возможность управления светом при помощи механического выключателя с крупноразмерной клавишей;
в автоматическом режиме сохраняет возможность принудительного включения светильников при помощи крупноразмерной клавиши механического выключателя.
|
| СБ2-Э-33
совместим с ИК-датчиками
ИКД-1, ИКД-2, ИКД-3
Исполнительные блоки для скрытой проводки.
предназначены для замены существующих блоков выключателей скрытой проводки;
изготовлены на базе блоков выключателей БКВР-2,4,5 завода ЭЛЕКТРОПУЛЬТ;
двухпроводное включение;
в ручном режиме обеспечивает возможность управления светом при помощи механического выключателя с крупноразмерной клавишей;
в автоматическом режиме сохраняет возможность принудительного включения светильников при помощи крупноразмерной клавиши механического выключателя.
|
 |
СБ2-Э-34
совместим с ИК-датчиками
ИКД-1, ИКД-2, ИКД-3
Исполнительные блоки для скрытой проводки.
предназначены для замены существующих блоков выключателей скрытой проводки;
изготовлены на базе блоков выключателей БКВР-2,4,5 завода ЭЛЕКТРОПУЛЬТ;
двухпроводное включение;
в ручном режиме обеспечивает возможность управления светом при помощи механического выключателя с крупноразмерной клавишей;
в автоматическом режиме сохраняет возможность принудительного включения светильников при помощи крупноразмерной клавиши механического выключателя.
 |
 | СБ2-Д-11 Исполнительный блок в брызгозащищенном исполнении
совместим с ИК-датчиком
ИКД-1
Предназначен для установки во влажных и неотапливаемых помещениях, а также на открытом воздухе.
- изготовлен на базе брызгозащищенного выключателя серии АМФИ-54 компании ДЭК
- может использоваться для замены существующего выключателя открытой проводки;
- не требует установки дополнительных монтажных коробок;
- двухпроводное включение;
- электронное управление освещением;
- подключение к инфракрасному датчику двухпроводным шлейфом;
- возможность принудительного включения осветительного прибора при помощи клавиши механического выключателя ДЭК.
|
| |
 | СБ3-С
совместим с ИК-датчиками
ИКД-1-1
Исполнительные блоки повышенной мощности для промышленных применений.
для установки в щиты и шкафы освещения на DIN-рейку;
оптимальны для организации систем освещения крупных объектов;
напряжения питания +24 В электронных схем исполнительных блоков и инфракрасных датчиков системы вырабатывает основной блок СБ3-С, на каждую дополнительную линию освещения ставится вспомогательный блок СБ3-СД;
высокая коммутируемая мощность при любом виде нагрузки;
к каждому блоку можно подключать до 5 инфракрасных датчиков РИЭЛТА;
индикация срабатывания каждого из подключенных датчиков;
одновременная настройка задержки отключения для всех подключенных инфракрасных датчиков;
для эксплуатации в отапливаемых и неотапливаемых помещениях.
|
 | СБ3-СД
совместим с ИК-датчиками
ИКД-1-1
Исполнительные блоки повышенной мощности для промышленных применений.
для установки в щиты и шкафы освещения на DIN-рейку;
оптимальны для организации систем освещения крупных объектов;
напряжения питания +24 В электронных схем исполнительных блоков и инфракрасных датчиков системы вырабатывает основной блок СБ3-С, на каждую дополнительную линию освещения ставится вспомогательный блок СБ3-СД;
высокая коммутируемая мощность при любом виде нагрузки;
к каждому блоку можно подключать до 5 инфракрасных датчиков РИЭЛТА;
индикация срабатывания каждого из подключенных датчиков;
одновременная настройка задержки отключения для всех подключенных инфракрасных датчиков;
для эксплуатации в отапливаемых и неотапливаемых помещениях.
|
 | СБ3
совместим с ИК-датчиками
ИКД-1, ИКД-2, ИКД-3
Исполнительный блок - переходник для подключения автономных электроприборов.
не требует монтажа;
подключение нагрузки осуществляется при помощи стандартной сетевой вилки.
|
|
СБ2-ИК-11
совместим с ИК-датчиками
ИКД-4ИК
Исполнительные блоки для скрытой проводки с беспроводным подключением инфракрасного датчика.
предназначены для замены существующих блоков выключателей скрытой проводки;
изготовлены на базе выключателя С56-043 и блоков выключателей БК2ВР-006А,Б,В компании Wessen ЭЛЕКТРО;
двухпроводное включение;
в ручном режиме обеспечивает возможность управления светом при помощи механического выключателя с крупноразмерной клавишей;
в автоматическом режиме сохраняет возможность принудительного включения светильников при помощи крупноразмерной клавиши механического выключателя.
|
 | СБ2-ИК-33
совместим с ИК-датчиками
ИКД-4ИК
Исполнительные блоки для скрытой проводки с беспроводным подключением инфракрасного датчика.
предназначены для замены существующих блоков выключателей скрытой проводки;
изготовлены на базе выключателя С56-043 и блоков выключателей БК2ВР-006А,Б,В компании Wessen ЭЛЕКТРО;
двухпроводное включение;
в ручном режиме обеспечивает возможность управления светом при помощи механического выключателя с крупноразмерной клавишей;
в автоматическом режиме сохраняет возможность принудительного включения светильников при помощи крупноразмерной клавиши механического выключателя.
|
 |
СБ2-ИК-34
совместим с ИК-датчиками
ИКД-4ИК
Исполнительные блоки для скрытой проводки с беспроводным подключением инфракрасного датчика.
предназначены для замены существующих блоков выключателей скрытой проводки;
изготовлены на базе выключателя С56-043 и блоков выключателей БК2ВР-006А,Б,В компании Wessen ЭЛЕКТРО;
двухпроводное включение;
в ручном режиме обеспечивает возможность управления светом при помощи механического выключателя с крупноразмерной клавишей;
в автоматическом режиме сохраняет возможность принудительного включения светильников при помощи крупноразмерной клавиши механического выключателя. |
| |

|
|